Titan I Missile Complex Layout
Underground Complex Side View Plan View
Site Control Center Powerhouse P. Mezzanine Power Pack Room
Ops Room Launch Console L. Console Detail Guidance Console
Facilities Console F. Console Detail Control Center Radar
Silo & Crib Missile Elevated Crib Launch Platform Umbilical
Prop. Terminal Equip. Term 1 Equip. Term 2 Site Air Conditioning
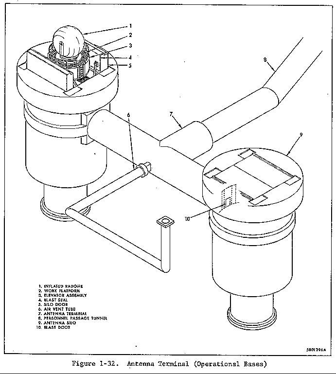
Antenna Terminal Antenna Silo Antenna Terminal Equipment


























